Инженерный тур. 3 этап
Разработка модели системы беспроводного питания для сенсорных устройств.
Сельское хозяйство — важнейшая отрасль экономики, которая не только обеспечивает продовольствием жителей нашей страны, но и импортирует сельхозпродукцию. Развитие технологий позволяет улучшать эту сферу человеческой деятельности, повышать качество продукции и облегчать труд работников.
В деревне Верхнее Шропширово с конца 60-х годов XX века работает большой животноводческий комплекс. Его руководитель — Георгий Клаксонов — радеет за процветание и развитие большого хозяйства, поэтому следит за всеми достижениями науки и технологий. С 2023 года наблюдение за жизнедеятельностью коров в хозяйстве Клаксонова ведется с помощью системы контроля состояния крупного рогатого скота.
В состав системы входит болюс — датчик-сенсор, находящийся в желудке коровы, который имеет ряд датчиков для идентификации и сбора основных физиологических параметров, а также модуль связи для передачи данных телеметрии на базовую станцию.
Благодаря использованию болюсов функционирует интеллектуальная система обеспечения принятия решений по формированию рациона питания, применению лечения и выявлению половой охоты. Коровы Клаксонова дают молоко лучшего качества, ведь их лечение при необходимости начинается своевременно, а значит, его эффективность высока.
Клаксонов хотел бы получать данные о кислотности среды в желудках коров, что позволило бы более разумно выстраивать их рацион. Георгий обратился за помощью к магистрантам ПИШ МИЭТ, которые предложили свое решение технологического усовершенствования болюсов, расширяющего их функциональные возможности.
В данной ситуации для обеспечения электрического питания затруднительно использовать привычный элемент автономного питания — аккумулятор — в силу конструктивных особенностей датчиков и физиологических ограничений животных. Поэтому в качестве альтернативного способа передачи энергии могут применяться системы беспроводной передачи энергии, основанные на эффекте индуктивности.
Кратко изложить принцип работы систем беспроводной передачи энергии можно следующим образом:
- Система состоит из двух модулей: передатчика и приемника, в которых центральными элементами являются катушки индуктивности: катушка-передатчик и катушка-приемник.
- При прохождении переменного электрического тока через катушку-передатчик вокруг нее создается переменное магнитное поле, которое воздействует на находящуюся вблизи катушку-приемник, индуцируя в ней переменное электрическое поле, порождающее электрический переменный сигнал на обкладках катушки.
- Для питания маломощных электрических устройств чаще всего используется постоянное напряжение, которое можно получить из переменного с помощью выпрямителя — устройства для преобразования переменного электрического тока в постоянный. Полученное выпрямленное напряжение применяется для питания конечных электрических потребителей — датчиков, сенсоров и прочих электрических устройств.
При разработке подобных систем существуют различные опасности, которые следует учитывать. Например, одна из проблем заключается в том, что питание должно осуществляться в строго заданном частотном диапазоне. Это позволяет избежать снижения эффективности передачи энергии при уменьшении частоты переменного сигнала, а также перегрева катушек, вызванного высокочастотными электрическими помехами.
Для борьбы с такого рода рисками применяют полосовые фильтры, ограничивающие диапазон частот передачи энергии. Для предупреждения неэффективного использования беспроводной передачи при существенном искажении сигнала в устройствах используют частотный анализатор. Он способен оценить спектральные характеристики передаваемого сигнала. Это позволяет в случае критического снижения эффективности отключить питание устройства для его безопасной работы.
Таким образом, система беспроводного питания должна не только обеспечивать необходимое выходное напряжение, но и предусматривать всевозможные ограничения, связанные с передачей электрического сигнала.
В качестве задания инженерного тура предлагается разработать модель системы беспроводного питания для сенсорных устройств.
Количество участников в команде: 2–4 человека.
Компетенции, которыми должны обладать члены команды:
- электротехника;
- программирование микроконтроллеров;
- обработка и анализ сигнала.
Роли, которые должны быть представлены в команде:
- математик;
- электротехник;
- программист микроконтроллеров.
| Наименование | Описание |
|---|---|
| Arduino IDE | ПО для программирования микроконтроллера |
| Fritzing/EasyEDA | ПО для проектирования электрических схем |
| Сдвиговый регистр 74HC595 | Реализация генератора |
| Резисторы: 7,5 кОм | Реализация генератора и сумматора |
| Резисторы: 15 кОм | Реализация генератора |
| Резисторы: 12 кОм | Реализация схемы суммирования |
| Резисторы: 1 кОм | Реализация схемы суммирования |
| Резисторы: 24 кОм | Реализация полосового фильтра |
| Резисторы: 72 кОм | Реализация полосового фильтра |
| Конденсаторы: 3,3 нФ (неполярный) | Реализация полосового фильтра |
| Конденсатор: 24 нФ (неполярный) | Реализация выпрямителя |
| Конденсатор: 10 мкФ (полярный) | Реализация выпрямителя |
| Операционный усилитель LM358 — 2 шт. | Реализация полосового фильтра и схемы суммирования |
| Диод выпрямительный | Реализация выпрямителя |
| Макетная плата 840 точек | Реализация основных модулей проекта |
| Набор перемычек для макетной платы | Реализация основных модулей проекта |
| Микроконтроллер ATtiny85 | Реализация генератора |
| Компонент | Количество |
|---|---|
| Микроконтроллер ATtiny85 | 3 |
| Сдвиговый регистр 74HC595 | 3 |
| Резистор: 7,5 кОм | 12 |
| Резистор: 15 кОм | 15 |
| Резистор: 12 кОм | 5 |
| Резистор: 1 кОм | 5 |
| Резистор: 24 кОм | 2 |
| Резистор: 72 кОм | 2 |
| Конденсатор: 3,3 нФ (неполярный) | 4 |
| Конденсатор: 24 нФ (неполярный) | 1 |
| Конденсатор: 10 мкФ (полярный) | 1 |
| Операционный усилитель LM358 | 2 |
| Диод выпрямительный | 4 |
| Макетная плата 840 точек | 4 |
| Набор перемычек для макетной платы | 2 |
Система должна состоять из следующих модулей:
- генератор — 3 шт.;
- сумматор сигналов с генераторов;
- полосовой фильтр;
- выпрямитель сигнала;
- анализатор сигнала.
Представленная система должна быть собрана и подготовлена в редакторе электрических схем.
Необходимо собрать три генератора синусоидального напряжения на основе ЦАП и МК семейства Attiny. Каждый генератор должен создавать сигнал определенной амплитуды и частоты.
Генерируемые частоты и амплитуды:
- частота 250 Гц, амплитуда: 2,5 В;
- частота 1,5 кГц, амплитуда: 5 В;
- частота 4 кГц, амплитуда: 2,5 В.
На основе встроенного ЦАП ESP32 допустимо использование до двух из трех генераторов.
Чтобы имитировать сигнал, поступающий от вторичной обмотки, следует собрать схему аналогового сумматора на операционном усилителе. Это необходимо для объединения сигналов, полученных с генераторов в смесь сигналов, которая является входным сигналом для последующих модулей.
Для выделения центральной составляющей сигнала нужно рассчитать и собрать фильтр. Его допустимо использовать как RC-фильтр, так и на основе операционного усилителя.
Следует разработать и собрать схему для преобразования переменного сигнала в постоянный на основе диодного моста. Такая схема необходима для получения сигнала постоянного напряжения, который является выходным сигналом всей системы.
Для анализа сигнала, получаемого с сумматора и выходного напряжения, необходимо разработать анализатор с помощью отладочной платы Arduino UNO или платы на основе ESP32 (в случае выбора ее при проектировании генераторов) и персонального компьютера. Анализатор должен вычислять и визуализировать следующие характеристики сигнала:
- амплитудный спектр до фильтрации;
- амплитудный спектр после фильтрации.
Также необходимо предусмотреть возможность исследования полученного постоянного напряжения, а именно, следующие характеристики, усредненные за десятисекундный период:
- коэффициент пульсации;
- сила тока;
- напряжение;
- мгновенная мощность.
Рекомендации к выполнению:
- В случае, если не удается собрать цифро-аналоговый преобразователь, можно воспользоваться встроенным модулем ЦАП.
- Реализация модуля «Анализатор» возможна как на базе ESP32, так и на платформе Arduino UNO.
При прочих равных результатах оцениваются:
- разработанный графический интерфейс для вывода данных анализатора;
- исполнение модулей системы с использованием технологии пайки;
- ведение разработки с помощью системы контроля версий git, в том числе наличие не менее одного коммита в каждый испытательный день.
Первый этапом разработки проекта включает проектирование и сборку трех генераторов синусоидального напряжения. Результат работы — собранные генераторы на беспаечной макетной плате или спаянные.
Данный этап необходим для функционирования всей системы. В случае неудачной попытки участники могут реализовать генераторы на встроенном ЦАП в ESP32.
Второй этап — сборка схемы аналогового суммирования сигналов и разработка анализатора для исследования сигналов. Аналоговый сумматор складывает сигналы, идущие от трех собранных ранее генераторов. Анализатор определяет и выводит спектральные характеристики исследуемого суммированного сигнала. Результатом является собранная схема суммирования и анализатор. Смесь аналоговых сигналов представляет собой входной сигнал для последующих модулей.
Данный этап необходим для функционирования всей системы. В случае неудачной реализации участники не смогут продемонстрировать полноценную работу.
Третий этап — разработка полосового фильтра (расчет и сборка) и схемы выпрямителя. Фильтр необходим для выделения центральной составляющей сигнала, полученного на предыдущем этапе. Далее необходимо собрать схему для преобразования полученного переменного сигнала в постоянный. Она нужна для получения сигнала постоянного напряжения, который является выходным сигналом всей системы.
Результат работы — собранный полосовой фильтр и выпрямитель. Анализатор, выполненный на предыдущем этапе, должен быть дополнен функцией анализа постоянного сигнала и определения его характеристик, указанных в требованиях.
Данный этап необходим для функционирования всей системы. В случае неудачной реализации участники не смогут продемонстрировать полноценную работу.
| № п/п | Критерий | Максимальный балл | Комментарий |
|---|---|---|---|
| 1 | Реализация трех генераторов сигнала | 15 | 5 баллов за каждый модуль генерации |
| 2 | Реализация сумматора | 10 | 5 баллов, если устройство работает некорректно (помехи, не позволяющие анализировать сигнал); 0 баллов, если не работает вовсе. |
| 3 | Сборка и расчет полосового фильтра | 10 | 5 баллов, если собрано корректно с использованием несамостоятельного расчета или если расчет произведен самостоятельно, но не произведена сборка; 0 баллов, если не выполнено. |
| 4 | Сборка выпрямителя | 10 | 5 баллов, если собрано некорректно (например: однополупериодный выпрямитель); 0 баллов, если не выполнено. |
| 5 | Визуализация сигнала | 10 | 10 баллов, если визуализация происходит программно в реальном времени; 5 баллов, если сигнал отображается корректно на осциллографе или в виде статических изображений (графики, файлы изображений); 0 баллов, если нет визуализации. |
| 6 | Постобработка (агрегирование выходных сигналов) | 15 | По 5 баллов за критерий: 1. сигнал сумматора, 2. сигнал фильтра синусов, 3. сигнал выпрямителя. |
| 7 | Постобработка (анализ сигнала, расчет характеристик сигнала) | 25 | По 5 баллов за критерий: 1. амплитудный спектр суммарного сигнала; 2. амплитудный спектр сигнала после фильтрации; 3. расчет среднего по 10-секундной выборке мгновенного значения тока; 4. расчет среднего по десятисекундной выборке мгновенного значения мощности; 5. расчет коэффициента пульсации. |
| 8 | Электрические схемы в редакторе | 5 | По 1 баллу за модуль: 1. генератор; 2. сумматор сигналов с генераторов; 3. полосовой фильтр; 4. выпрямитель сигнала; 5. анализатор сигнала; |
| Итого | 100 | ||
Схема одного из генераторов на макетной плате представлена на рис. 8.1.
Собранные три генератора и анализатор представлены на рис. 8.2. Каждый из генераторов имеет одинаковую структуру, однако настроен на выдачу сигналов различных частот и амплитуд (250 Гц, 2,5 В; 1,5 кГц, 5В; 4 кГц, 2,5 В).

Пример сигнала, выдаваемого генератором, выглядит следующим образом (см. рис. 8.3).

Сигналы, выдаваемые тремя генераторами, поступают на аналоговый сумматор. Его схема представлена на рис. 8.4, а собранный на макетной плате сумматор , на рис. 8.5.

Получившийся сигнал является имитацией реального сигнала, идущего от передатчика беспроводной зарядки. Далее он поступает на анализатор (рис. 8.2), где выделяются его спектральные характеристики, а также на полосовой фильтр (схема — рис. 8.6, макет — рис. 8.7), который выделяет из сигнала центральную частоту.

Сигналы после схемы суммирования и после фильтрации выглядят следующим образом (см. рис. 8.8).

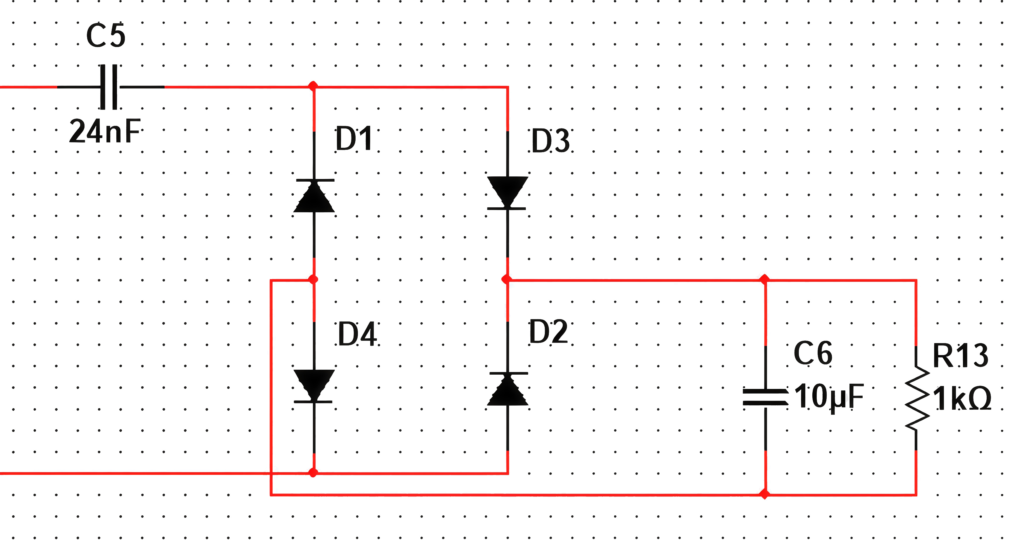
После фильтра сигнал поступает на выпрямитель (схема — рис. 8.9, макет — рис. 8.5), а далее выпрямленный сигнал поступает на анализатор (см. рис. 8.2).
Анализатор показывает спектр сигнала, поступающего с сумматора (рис. 8.10), а также выводит значения требуемых характеристик отфильтрованного и выпрямленного сигнала (рис. 8.11).
- Топильский В. Б. Схемотехника измерительных устройств: Учебное пособие. М.: БИНОМ, 2010. — 232 с.
- Спектральный анализ сигналов / Хабр URL: https://habr.com/ru/articles/253447/.
- Онлайн-расчет активных фильров на ОУ и транзисторах URL: https://vpayaem.ru/information3.html.
- What is FFT and how can you implement it on an Arduino? / URL: https://www.norwegiancreations.com/2017/08/what-is-fft-and-how-can-you-implement-it-on-an-arduino/.
- R-2R Digital-to-Analogue Converter URL: https://www.electronics-tutorials.ws/combination/r-2r-dac.html.
- Хоровиц П., Хилл У. Искусство схемотехники: Пер. с англ. — Изд. 2-е. — М.: Издательство БИНОМ. — 2016. — 704 с.
- Программирование ATtiny85 с помощью платы Arduino UNO / URL: https://microkontroller.ru/avr-microcontroller-projects/programmirovanie-attiny85-s-pomoshhyu-platy-arduino-uno/.
- Programming ATtiny85 / URL: https://wolles-elektronikkiste.de/en/programming-attiny85-84-45-44-25-24.






